电动汽车发展火热让eFuse成为必需品,市场规模达40亿元
          作者:  时间:2024-04-29 15:09:20  阅读:501
          随着汽车上的电子电路系统越来越多,越来越复杂,汽车中的电子元器件将会产生更大幅度的瞬变、电磁干扰、更强的静电放电,以及更为普遍的“电子污染”,从而导致车辆关键系统更容易发生关断故障,甚至是灾难性故障。电路保护器件成为了保障关键系统安全性的主要措施之一,其中热保险丝加继电器的组合曾一度成为主流,不过,由于热保险丝的自恢复能力,以及在相对较低电流下工作的能力缺陷,在电动汽车时代,这个组合有点力不从心了。因此,对汽车电子电路设计工程师来说,电子保险丝(eFuse)成为了一种更好的选择。
eFuse是一种具有复位功能的汽车电源母线保护方案,可以防止对连接器、PCB走线,以及元器件的损坏,同时限制临界负荷处于高浪涌电流和电压瞬变下。它可以用于通过实施电流限制功能来避免重要电子系统的关断,从而让系统保持在安全的水平运行。其工作原理是负载电流通过FET和一个检测电阻,并通过该检测电阻上的电压进行监控。当该电压超过预设值时,控制逻辑会断开FET并切断电流路径(如图1)。由于FET与电源线和负载串联,必须具有非常低的导通电阻,因此,不会引起过大的电流电阻降或功率损失。

图注:eFuse的工作原理与基本结构。在电子保险丝中,当从电源到负载的电流通过检测电阻时,通过该电阻上的电压进行监测;当测得的电压超过设定值时,控制逻辑将FET断开,以阻断电流流向负载。(来源:TI)
一般来说,eFuse有两种方案,一种的分立解决方案,可以通过几个FET、一个电阻和一个电感等构建;另一种是在单芯片上集成FET、驱动、检测电路、逻辑电路及诊断等模块构建。如今有不少半导体厂商可以提供车规级的集成eFuse芯片,比如ST、TI、恩智浦、Microchip、英飞凌,以及安森美等厂商均有相关产品。拿英飞凌的eFuse芯片BTS7004为例,其数据手册上就介绍了该芯片的典型应用,其中蓝框表示的就是英飞凌eFuse芯片,红框表示的是MCU芯片。

图:英飞凌的eFuse芯片BTS7004典型应用(来源:英飞凌)英飞凌的该eFuse芯片可适用于驱动阻性、感性和容性负载;可取代继电器、保险丝和分立电路;适用于驱动加热的负载、直流电机和整车配电。可提供高温保护、过流保护、过压保护,以及低压保护等保护功能;同时还能提供负载电流检测、开路电流检测、短电源和短地检测等诊断功能。这里就可以看到eFuse的功能相对于传统热保险丝来说更加丰富,优势更加明显。比如,在速度方面,反应速度快,其断开反应时间为微秒级,有些设计能达到纳秒级。这对如今采用相对敏感的IC和无源元件的电路来说很重要。在低电流操作方面,eFuse不仅可以采用低电流工作设计(约100mA或更小),而且还可以在很低的个位数电压下正常工作。在自恢复方面,根据具体型号,eFuse可选择在激活后保持断开(称为闩锁模式),或在当前故障消失后恢复正常工作(自动重启模式)。后一种设置在没有"硬"故障的瞬态浪涌电流情况下特别有用,例如当板子插入带电总线时就会出现这种情况。在更换保险丝困难或成本较高的情况下,也很有用。此外,eFuse还可以提供反向电流保护、过压保护、反极性保护等功能。
看起来eFuse功能更加丰富,但价格也相对昂贵不少。一个传统的热保险丝可能只需要几元钱,但eFuse需要几十元。是什么原因让终端厂商选择eFuse呢?据行业内人士分析,主要是基于下面几个原因:首先是,虽然热保险丝成本只需要几元,但是维修成本很高。去4S店更换5元的器件需要用户付出少则几百元,多则上千元的付出,用户体验并不友好。二是eFuse可以提高功能安全,高等级自动驾驶对关键供电线路的功能安全等级要求一般为最高的ASIL D。采用传统“热保险丝+继电器”方案很难达到此要求,或者需要付出极大的代价,而让一颗半导体芯片达到ASIL D,这是芯片厂商的强项。三是节省空间,eFuse通过集成在PCB板上,相比于现在至少需要单独两个配电盒,可以节省不少空间。四是相比传统保险丝通过不可逆的自毁方式保护整车的用电线路,eFuse具备自恢复的能力。这也就意味着eFuse因过压、过流、低压等电路异常损坏的概率极小,不考虑芯片本身的故障,eFuse几乎可以用到车辆报废。所以从这个维度来看,eFuse还能侧面减少整车生命周期的维修成本,提供更好的用户体验。五是诊断功能,通过对每一条供电线路进行检测和诊断,可以提早发现故障,减少重大故障发生的几率。六是可OTA升级,通过在线升级可以灵活调整功能逻辑、及时修复BUG。比如,可以通过软件设计增加功能,电路承载电压从5V提升到6.5-7V,可以修改电压、关断值。此外,随着2023年12月,特斯拉Cybertruck正式交付,辅助电池系统首次从12V升级为48V。加上,1)特斯拉把48V电路系统设计图及相关文件免费开放给各大车厂。2)特斯拉包括人型机器人都将采用48V系统 。从12V到48V,功率上限提升,以承载更多智能化、娱乐化功能。加上自动驾驶不断升级、迭代,功能越多,复杂度越高,eFuse数量需求也大幅增加。48V架构下电子保险丝方案规格重选,且用量大幅增加,传统熔断器ASP提升叠加传统熔断器反应能力慢有延迟,为eFuse替代提供空间。
目前大量采用eFuse器件的厂商是特斯拉,他们的Model 3使用了22~24个eFuse,平均单价50元左右,整车ASP在1150元左右,其新的48V系统采用的eFuse产品将会更多。单以特斯拉2023年185万辆产量来说,其一家使用eFuse的价值量就达到了21亿元。目前这个价格相对来说还是偏高,随着用量越来越大,量产数量的增多,价格有望下降到ASP 800元左右,新能源汽车产量1400万辆,渗透率40%,就将超过44亿元市场规模。业内普遍预计到2025年,或2026年汽车厂商将会大规模采用eFuse产品,以替代传统电路保护解决方案。
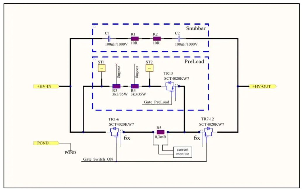
目前已经有不少厂商推出了eFuse解决方案,比如安森美的新型 NIV3071 eFuse具有 8V 至 60V 工作输入电压范围,在紧凑的 5x6mm 封装中集成了 4 个独立通道,可以同时驱动多个并联负载。每个独立通道可支持 2.5A 连续电流,4 个通道并联时可支持 10A 连续电流。据其官方资料介绍,NIV3071 支持各种负载,包括阻性负载、感性负载和容性负载。NIV3071 可驱动大的容性负载,经测试在 Vin = 52 V、60ms 爬坡时间、Iout = 866mA、Ta = 25°C 时支持高达 1mF 容性充电。宽工作输入电压范围使 NIV3071 非常适合 12V 和48V 汽车应用。据悉,NIV3071 eFuse 的性能优于传统保险丝和正温度系数保险丝 (PTC)。在短路事件中,eFuse 可确保下游负载在故障情况下始终受到保护。ST全新的STPOWER STripFET F8 40V系列可满足汽车行业对电子保险(eFuse)方案的线性模式工作耐变性和能源管理的严格要求。可以用于汽车助力转向系统当中。Vishay新近推出了两款双向eFuse 参考设计,400V DC 100A双向eFuse解决方案与800VDC50A双向eFuse解决方案。它们采用了 SiC MOSFET 和 VOA300 光耦合器,可以用来处理高达 40 kW 的连续功率,且被设计为全功率下连续工作,损耗极低,无需主动冷却。同时,这两款 eFuse 参考设计还具有预载、连续电流监测和过流保护等功能,发生故障后关机仅需2.5 µs。

图:Vishay eFuse 800V DC 50A eFuse解决方案Micirochip也在去年上半年推出了碳化硅eFuse演示板。适用于400~800V电池系统,额定电流最高可达30A。该eFuse演示板可在微秒层级检测并中断故障电流,得益于高压固态设计,这比传统机械方法快100至500倍。快速响应时间可大大降低峰值短路电流,能从几十千安降至几百安,从而防止故障事件导致硬故障。
可以预见的是eFuse市场规模将会随着电动汽车的发展快速提升,但目前主要是海外几家半导体厂在供应相关产品,国内半导体企业很少有相关产品,随着市场规模的铺开,国产半导体厂商也有希望从中分到一杯羹。